氣動三通球閥是AIRTORQU氣動執行機構和三通法蘭球閥組成。根據管道中不同的介質選用密封材質。氣動三通球閥分"T"型三通球閥和"L"型三通球閥,具有結構緊湊、外型美觀、密封性能好,它能實現對管道中介質流向的切換,也能使相互垂直的兩個通道連通或關閉。適用于供水、石化、冶金、礦山、輕紡、能源、造紙、食品、鋼鐵等管路系統中對介質流向進行切換以及對介質的分流或混合流體。
球閥是一種重要的閥類,在石油化工和長輸管線等領域有廣泛應用。它的關閉件是一個帶孔的部分球體,球體隨閥桿轉動,實現閥門的開啟或關閉。流向可任意,可調范圍廣,能用于高壓和大口徑場合,控制高粘度,帶有纖維和細顆粒的介質。
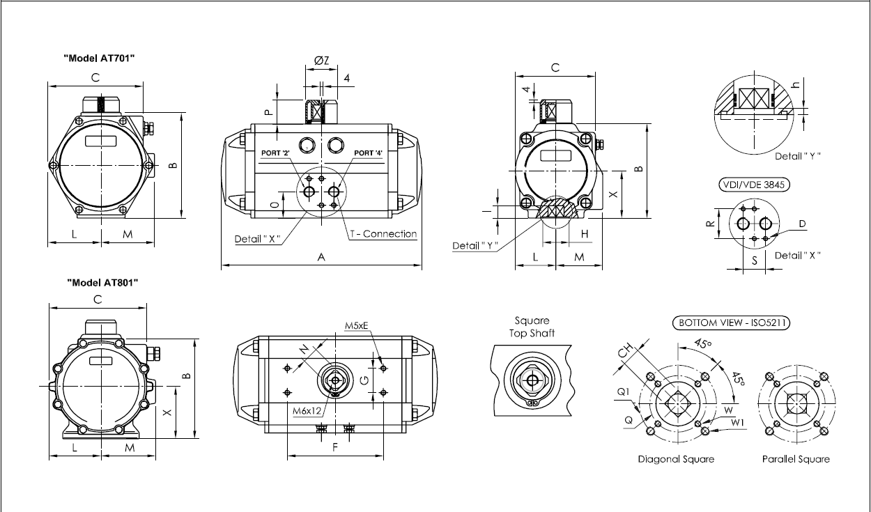
氣動三通球閥執行器產品特點
1、制作工藝
壓制成型的鋁制缸體,內外部進行優越的防腐處理。
2、硬質陽極氧化處理
氣缸采用高強度鋁合金材料,經過硬質陽極氧化處理,韌性高,不易留下劃痕
3、烤漆設計
兩端端蓋經過烤漆工藝處理,不易脫落,更好的保護缸體
4、防腐防銹
整個氣缸外部經過Alodur+特氟隆圖層處理,適合化工車間,海邊工況等。
5、應用廣泛
適用于冶金石油電力水利造紙等各領域。
